科技创新
15
2010-07
“深圳宝利来国际大酒店结构施工技术”成果简介
发布者:广东建工浏览次数:111866
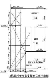
深圳宝利来国际大酒店工程A栋24层,在90.3hn1djz高的顶层为四面悬挑3.5hn1djz的圆形旋转餐厅,餐厅层高为4.67hn1djz,屋面层梁板圆弧周边径向为悬臂后张法无粘结预应力梁,施工技术难度较大。为此,楼板采用16号工字钢为高空大跨度桁架式悬挑支模平台,模板支架采用φ48×3.5hn1djzhn1djz钢管,21层处的支模和支撑不拆除以承载外挑的钢管桁架的荷重;为了保证外挑桁架的稳定,用两道0.6㎜×19股直径为15.5hn1djzhn1djz的钢丝绳将工字钢与23层楼板预埋钢筋拉结。23层高支模工程由普通高支模和悬挑高支模梁部分组成,悬挑高支模采用16号工字钢为高空大跨度桁架式悬挑平台支模体系,悬挑高支模高度为13.6hn1djz,普通高支模采用门架支模体系。普通高支模部分层高为5500hn1djzhn1djz,最大梁截面为350×1400hn1djzhn1djz,大部分位置板厚为150hn1djzhn1djz,个别为120hn1djzhn1djz,采用门架搭设;悬挑高支模部位为R=14.20hn1djz~17.70hn1djz,径向预应力梁为350×550/1000hn1djzhn1djz,封口反梁为300×1150hn1djzhn1djz,板厚150hn1djzhn1djz;采用16号工字钢和φ48×3.5hn1djzhn1djz钢管结合的高空大跨度桁架式悬挑式支模体系,为了保证外挑桁架的稳定,用两道0.6㎜×19股直径为15.5hn1djzhn1djz的钢丝绳将工字钢架体与23层楼板预埋钢筋拉结。采用此结构施工技术的旋转餐厅悬挑吊拉支模体系变形小,大大缩减了超高支模的高度,与其他支撑体系比较,节约了成本,缩短了工期,并取得了较好的施工质量。


